
 -        1/10000의 고정밀도를 제공
-        1/10000의 고정밀도를 제공
- 고강도 알루미늄 사용
- 민감한 하중을 측정하도록 설계
- Probe 및 fixture adaptor 포함
- Cross head mount adaptor 별매
Specification
| 
 | Load cells | ||
| 적용 모델 | Micro-precision | Precision | Standard | 
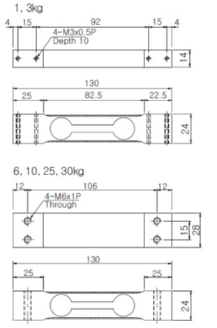
| 정격용량(R.C.) | 150gf, 300gf, 600gf | 1kgf, 3kgf | 6kgf, 10kgf, 25kgf, 30kgf | 
| 정격출력(R.O.) | 1.2 mV/V ±2% | 1mV/V ±1% | 2mV/V ±1% | 
| 비직선성 | ≤0.02% R.O. | ||
| Hysteresis | ≤0.02% R.O. | ||
| Repeatability | ≤0.02% R.O. | ||
| Creep | ≤0.03% R.O. in 20 minuits | ||
| Zero Balance | ±5% R.O. | ≤5% R.O. | |
| 온도범위 | -10 ~ 50℃ | -10 ~ 70℃ | |
| 출력의 온도영향 | 0.02% Load/10℃ | ≤0.012% Load/10℃ | |
| 영점의 온도영향 | 0.03% R.O./10℃ | ≤0.04% R.O./10℃ | |
| 입력간저항 | 420 ±30Ω | 420 Ohms ±10 Ohms | |
| 출력간저항 | 350 ±2Ω | 350 Ohms ±5 Ohms | |
| 절연저항 | 2000 ㏁ | 2000 MOhms at 50V DC | |
| 인가전압 | 10V | 10V | |
| 연결케이블 | Φ3, 4CORE SHIELD CABLE, 1.5m | Ø4mmx1.5m (4C쉴드) | Ø5mmx1.5m (4C쉴드) | 
| 보호등급 | IP 65 | ||
| 허용과부하 | 150% R.C. | ||
| 극한과부하 | 300% R.C. | ||


 

