메뉴 건너뛰기

Accessories and Consumables

Crucibles, Vacuum deposition targets and Materials testing fixtures

(주)연진에스텍

Sample Specific Tensile Holder

ASTM D412 Method B O-Ring Test Fixture | GD412-B-44

PRODUCT INFORMATION

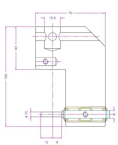
Model# GD412-B-44

The GD412-B-44 O-Ring Test Fixture is made per ASTM D412 Method B. This fixture measures the stress-strain properties of flat ring samples of vulcanized thermoset rubbers and thermoplastic elastomers.

The GD412-B-44 includes one upper and one lower grip with a 15.9 mm female cup adapter with a hole for a 8 mm diameter cross pin. Machine adapters are available to connect with existing test machines.

FEATURES & BENEFITS
 

  • Meets ASTM D412 Method B
  • 4.75 mm diameter shaft on bearings
  • 15.9 mm (5/8 in) cup with 8 mm pin

 


 

Product Literature

액세서리 및 소모품의 다른 글