메뉴 건너뛰기

MBE, Molecular Beam Epitaxy System

Dr. Eberl MBE-Komponenten GmbH, Germany

Trusted expertise since 1990

35 years of development and manufacture of complex systems and components for multiple tasks

​​​​​​​BFM Beam Flux Monitor

BFM Beam Flux Monitor

BFM 40-150 beam flux monitor on DN40 CF (O.D. 2.75") with edge-welded bellows and linear travel 150mm (gauge head shielding parts removed)

 
  • Bayard-Alpert type ionization gauge
  • Compatible with AML gauge controllers
  • Mounting flange DN40 CF (O.D. 2.75")
  • Linear gauge head positioning
  • Standard linear travel 150 mm
  • Bakeable up to 250°C

 

Introduction

In many MBE applications the beam equivalent pressure (BEP) of the atomic or molecular beams from effusion cells can be used to determine flux ratios and growth rates near or at the sample position. Our Beam Flux Monitor BFM has been designed and optimized for this purpose.

Complete assembly with gauge head shielding
View onto gauge head of BFM 40-150, complete assembly with gauge head shielding
 

The basic component of the BFM is the Bayard-Alpert type ionization gauge, that is mounted on a linear motion feedthrough with edge-welded bellows. By means of this feedthrough, the gauge can be shifted linearly between a measurement- and a standby-position.

The design of the BFM includes the shielding of the gauge head, inhibiting contamination of a substrate behind the gauge head during flux-monitoring. The shielding parts can be seen on the right hand figure.

 

 

BFM 40-150 air side view
BFM 40-150 air side view

Application

Typical applications for the BFM beam flux monitor are:
-   flux calibration of effusion cells vs. source temperature
-   fast check of flux ratios from different sources before growth (e.g. As/Ga in III-V MBE)

The BFM series has been designed to be pin-compatible with ion gauge controllers of the PGC-series from AML. The electrical 12-pin feedthrough of the BFM mates with a standard AML gauge head connection cable. If other ion gauge controllers shall be used, adaptability to the pin-out shown on the left and match with the characteristics of the ion gauge head (see below) is required.

 

 

 

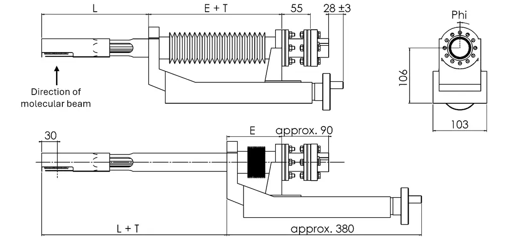
Technical Data

Mounting flange

DN40CF (O.D. 2.75") [mm / inch]; port I.D. >= 38 mm

In-vacuum length L

100...500 mm, others on request

Linear travel T

150, 200, 250, 300, 350, 400 mm

Bakeout temperature

up to 250 °C

Controller

AML PGC-series or compatible; other (e.g. Granville-Phillips) on request

Electrical connectors

pin-compatible with AML controller cables

Measurement range

10 -3 mbar to 4x10 -11 mbar total pressure or BEP

Outgassing principle

electron bombardment

 

Dimensions


 

 

 

 

 

share
Equipment Multi-position Shutter Control Unit MSCU Multi-position Shutter Control Unit MSCU The MSCU is the power supply and controller for multi-posit
댓글 0
29
Equipment Rotary Pneumatic Module RPM Rotary Pneumatic Module RPM The RPM is a drive unit for rotary shutter motion. Its torque reaches 0.
댓글 0
27
Equipment Shutter Shutter We provide a variety of cell shutters designed for different evaporation sources. The shutte
댓글 0
29
Equipment Shutter Control Unit SCU Shutter Control Unit SCU The SCU is the power supply and controller for different soft-acting shutte
댓글 0
27
Equipment Soft-acting Linear Shutter Module LSM Soft-acting Linear Shutter Module LSM The LSM consists of a soft-acting linear motion mechanism, dri
댓글 0
21
Equipment Soft-acting Rotary Shutter Module RSM Soft-acting Rotary Shutter Module RSM The RSM is a drive unit for rotary shutter motion that provide
댓글 0
34
Equipment Viewport Shutter FSH Viewport Shutter FSH The Viewport Shutters FSH are high-quality swing shutters used to cover and pro
댓글 0
32
Simulation and Consulting Roll-to-Roll Systems Information on the angular flux distribution, resulting flow rate distribution, material composition
댓글 0
1,168
« 1 2 3 4 5 6 »
« 2 / 6 »
문의
하기