
-        1/10000의 고정밀도를 제공
- 고강도 알루미늄 사용
- 민감한 하중을 측정하도록 설계
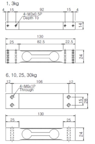
- Probe 및 fixture adaptor 포함
- Cross head mount adaptor 별매
Specification
| 
			 
  | 
			
			Load cells | 
		||
| 
			 적용 모델  | 
			
			 Micro-precision  | 
			
			 Precision  | 
			
			 Standard  | 
		
| 
			 정격용량(R.C.)  | 
			
			 150gf, 300gf, 600gf  | 
			
			 1kgf, 3kgf  | 
			
			 6kgf, 10kgf, 25kgf, 30kgf  | 
		
| 
			 정격출력(R.O.)  | 
			
			 1.2 mV/V ±2%  | 
			
			 1mV/V ±1%  | 
			
			 2mV/V ±1%  | 
		
| 
			 비직선성  | 
			
			 ≤0.02% R.O.  | 
		||
| 
			 Hysteresis  | 
			
			 ≤0.02% R.O.  | 
		||
| 
			 Repeatability  | 
			
			 ≤0.02% R.O.  | 
		||
| 
			 Creep  | 
			
			 ≤0.03% R.O. in 20 minuits  | 
		||
| 
			 Zero Balance  | 
			
			 ±5% R.O.  | 
			
			 ≤5% R.O.  | 
		|
| 
			 온도범위  | 
			
			 -10 ~ 50℃  | 
			
			 -10 ~ 70℃  | 
		|
| 
			 출력의 온도영향  | 
			
			 0.02% Load/10℃  | 
			
			 ≤0.012% Load/10℃  | 
		|
| 
			 영점의 온도영향  | 
			
			 0.03% R.O./10℃  | 
			
			 ≤0.04% R.O./10℃  | 
		|
| 
			 입력간저항  | 
			
			 420 ±30Ω  | 
			
			 420 Ohms ±10 Ohms  | 
		|
| 
			 출력간저항  | 
			
			 350 ±2Ω  | 
			
			 350 Ohms ±5 Ohms  | 
		|
| 
			 절연저항  | 
			
			 2000 ㏁  | 
			
			 2000 MOhms at 50V DC  | 
		|
| 
			 인가전압  | 
			
			 10V  | 
			
			 10V  | 
		|
| 
			 연결케이블  | 
			
			 Φ3, 4CORE SHIELD CABLE, 1.5m  | 
			
			 Ø4mmx1.5m (4C쉴드)  | 
			
			 Ø5mmx1.5m (4C쉴드)  | 
		
| 
			 보호등급  | 
			
			 IP 65  | 
		||
| 
			 허용과부하  | 
			
			 150% R.C.  | 
		||
| 
			 극한과부하  | 
			
			 300% R.C.  | 
		||



